卸売 化学スクラバー

  • 化学スクラバー

化学スクラバー

ケミカルスクラバーは、高度なスクラビングフィルターです。通常の充填剤の特殊な構造と大きな比表面積を物質移動・脱水充填剤として利用しています。同時に、臭気の原因成分に応じて、対応する酸、アルカリ、酸化剤を吸収洗浄液として使用し、空間の臭気を除去し、周囲環境への影響を排除します。

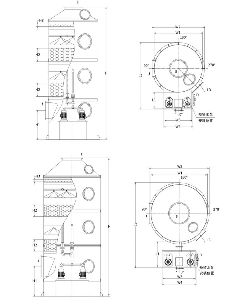
臭気のある空気流は、エアダクトを通って輸送され、タワー入口からタワーに入ります。塔に入った後、充填層を下から上へ通過し、最終的に防食ファンを通って塔頂部のパイプライン出口から排出されます。中和液は塔頂部の分液器を通過し、充填層に均一に噴霧され、充填層表面に沿って流下し、塔底部からパイプラインを通って排出され、防食循環ポンプにより循環されます。上昇気流中の溶質濃度はどんどん低くなり、塔頂に到達した時点で浄化機能が成立し、排出されるか、次の工程で浄化が継続されます。逆に下降液中の媒体濃度はどんどん高くなり、塔底に到達して塔外に排出される時点でプロセス条件に達します。

スプレーパッキングタワーの利点:効率が高く、液体保持量が少なく、軽量で操作が簡単なので、すぐに作業を開始できます。お客様の使用条件に合わせてフィラーを選択できます。種類も豊富で、一般的には耐食性のあるボールリングが使用されます。ただし、フィラーの粒子径が大きいため、固形浮遊物質が目詰まりする可能性があるため、一般的に固形物処理には適していません。例えば、工場から発生するNH₃、HCl、H₂S、窒素酸化物、有機性廃ガスなどをこの装置で効果的に処理できます。

化学スクラバーの構造:
図に示すように: 完全なパック型スプレー スクラビング システムには、次のコンポーネントが含まれています。

1. タワー本体はPP(ポリプロピレン)シート製です。

2.PP格子パネルで作られた梱包サポートフレーム。

3. UPVC 製のスプレー接続パイプ。

4.PPスパイラルノズル;

5.中空ボールまたはポールリングパッキン;

6.耐食性PP循環ポンプ;

7. メッシュデミスター層;

8. 手動および自動の水補給装置。

9. オーバーフローパイプと排水パイプ;

10. 検査ウィンドウ.

化学スクラバーの選択:
充填スプレースクラバーの技術パラメータ表

輸送の利便性と安全性を確保するために、PP パックのスプレースクラバーは 2 つのタイプに分けられます。

タイプ1:一体型水タンク充填型スプレースクラバー(塔径:Φ1000mm~Φ2200mm)

タイプ2:分割型水槽充填式スプレースクラバー(塔径:Φ2500mm~Φ3500mm)


風量に応じたモデル仕様:

モデル 風量 デバイスのサイズ ウォーターポンプ動力 充填厚さ 風速 装備材料
LRTL-600 0-1500m3/h Φ600×3000 0.75kw 500*2 1.48m/秒 PP/304/Q235/FRP
LRTL-800 1501-2500m3/h Φ800×3000 0.75kw 500*2 1.39m/秒 PP/304/Q235/FRP
LRTL-1000 2501-4000m3/h Φ1000×5000 1.5kw 500*2 1.42m/秒 PP/304/Q235/FRP
LRTL-1200 4001-6000m3/h Φ1200×5000 2.2kw 500*2 1.48m/秒 PP/304/Q235/FRP
LRTL-1500 6001-9500m3/h Φ1500×5000 3.75kw 500*2 1.5m/秒 PP/304/Q235/FRP
LRTL-1800 9501-14000m3/h Φ1800×5000 5.5kw 500*2 1.53m/秒 PP/304/Q235/FRP
LRTL-2000 14001-17000m3/h Φ2000×6000 5.5kw 500*2 1.5m/秒 PP/304/Q235/FRP
LRTL-2200 17001-20000m3/h Φ2200×6000 7.5kw 500*2 1.46m/秒 PP/304/Q235/FRP
LRTL-2500 20001-27000m3/h Φ2500×6000 7.5kw 500*2 1.53m/秒 PP/304/Q235/FRP
LRTL-2800 27001-33000m3/h Φ2800×6000 15kw 500*2 1.49m/秒 PP/304/Q235/FRP
LRTL-3000 33001-38000m3/h Φ3000×6800 15kw 500*2 1.49m/秒 PP/304/Q235/FRP
LRTL-3200 38001-44000m3/h Φ3200×6800 15kw 500*2 1.52m/秒 PP/304/Q235/FRP
LRTL-3500 44001-55000m3/h Φ3500×6800 15kw 500*2 1.5m/秒 PP/304/Q235/FRP

注: 非標準のデザインは顧客の要件に応じてカスタマイズできます。

選択図:

杭州Lvran環境保護グループ株式会社

  • 1000+

    サービス部門のお客様

  • 2000+

    全国的なエンジニアリング事例

Hangzhou Lvran Environmental Protection Group Co., Ltd. 当社は、研究開発、技術サービス、設計、製造、エンジニアリング設置、アフターサービスを統合した、総合的な排ガス処理システムエンジニアリングサービスプロバイダーおよび機器メーカーです。

私たちは 中国 化学スクラバー サプライヤー そして 卸売 化学スクラバー 輸出会社. 当グループは、国家級ハイテク企業、浙江省科学技術企業、地域研究開発センター、およびAAA格付けの信用企業です。30件以上の実用新案特許、多数の発明特許、およびソフトウェア著作権を保有しています。 同グループは、安徽科技大学と共同設立した「環境イノベーション研究開発センター」や、浙江科技大学と共同設立した「プラズマエネルギー・環境新技術研究開発センター」など、国内の大学や研究機関と長期的な技術研究開発協力関係を築いている。 同グループは、高度な技術協力を行うために、独自の研究開発拠点と生産拠点を設立した。 同グループは、VOCガス処理の中核技術を有し、都市公共事業建設における二級総合請負資格、安全生産許可証、浙江省における環境汚染防止に関する二級特別設計資格、無分類労働サービス資格、および特殊エンジニアリング専門請負資格を保有している。 当グループは、ISO9001国際品質マネジメントシステム認証、ISO14001環境マネジメントシステム認証、およびISO45001労働安全衛生マネジメントシステム認証を取得しています。

名誉証明書

以下の受賞歴は、当社の卓越した実績を物語っています。高品質な製品で顧客を獲得し、優れたサービスで市場および社会各方面から高い評価を得ています。

  • プレート型高電界基本ユニットと表面漏電防止リアクトル
  • 二酸化炭素と水を用いてメタノールを合成する反応装置及び二酸化炭素と水を用いてメタノールを合成する方法
  • セルフクリーニング型電気集塵機
  • 風向調整機能付き耐食性高圧ファン
  • 調整可能な自動洗浄式大容量ファン
  • 複合接触ガス化排ガス前処理制御システム
  • スチームクリーニング連続静電界排ガス浄化処理装置
  • 低温プラズマUV光分解排ガス浄化装置システム
  • 商標登録証明書
最新ニュースとイベント
あなたと共有します
その他のニュースを見る
  • 09 Apr,2026

    バッグハウス集塵機はどのようにして労働安全を最適化しますか?
    バグハウス集塵機について理解する 産業用大気汚染防止の状況では、 バッグハウス集塵機 主な防御メカニズムとして機能します。このシステムは、産業排気流から粒子状物質を除去します。エンジニアは、厳しい環境規制を満たすようにこれらのシステムを設計します。工場従業員の安全な作業環境を確保します。 コアコンポーネントと機能...
  • 02 Apr,2026

    施設に適した集塵装置を選択するにはどうすればよいですか?
    産業施設は、生産効率を最適化しながら、清浄な空気基準を維持するというプレッシャーの増大に直面しています。適切な選択 集塵装置 粒子の特性、気流のダイナミクス、規制遵守についての深い理解が必要です。 B2B バイヤーと卸売販売業者にとって、この決定は運用コスト、作業者の安全、および機器の寿命に影響を与えます。このガイドでは、効...
  • 23 Mar,2026

    酸性ガスを最もよく除去する化学スクラバーはどれですか?
    化学スクラバー システムは、制御された化学反応を通じて有害なガスの排出を中和し、環境コンプライアンスと作業者の安全の両方を保護します。この技術試験では、吸収メカニズム、システム設計パラメータ、産業調達チームの運用の最適化が取り上げられます。 気液分離の基礎 湿式と乾式のスクラブ技術 湿式スクラビング システム...
  • 16 Mar,2026

    活性炭吸着装置とは何ですか?
    活性炭吸着装置 は、活性炭の非常に高い表面積と細孔構造を利用して、物理的および化学的吸着メカニズムを通じてガスまたは液体の流れから有機汚染物質、揮発性有機化合物 (VOC)、悪臭ガス、および溶存汚染物質を除去する工業用空気および水浄化システムです。環境規制が世界的に強化され、産業排出基準がますます厳しくなるにつれて、 ...
  • 10 Mar,2026

    バグハウス集塵機を設計するにはどうすればよいですか?
    システムサイジングの基礎 の効率 バグハウス集塵機 は、初期設計パラメータの精度を前提としています。不適切なサイズ設定は、不十分な塵埃の捕捉、過剰な運用コスト、および早期のコンポーネントの故障につながります。エンジニアや調達管理者にとって、空気流と濾過媒体の物理学を理解することは、集塵システムを最適化するための第一歩で...