卸売 サイクロンプレート湿式スクラバー

ホーム / 製品 / 酸・アルカリ排ガス処理装置 / サイクロンタワー / サイクロンプレート湿式スクラバー
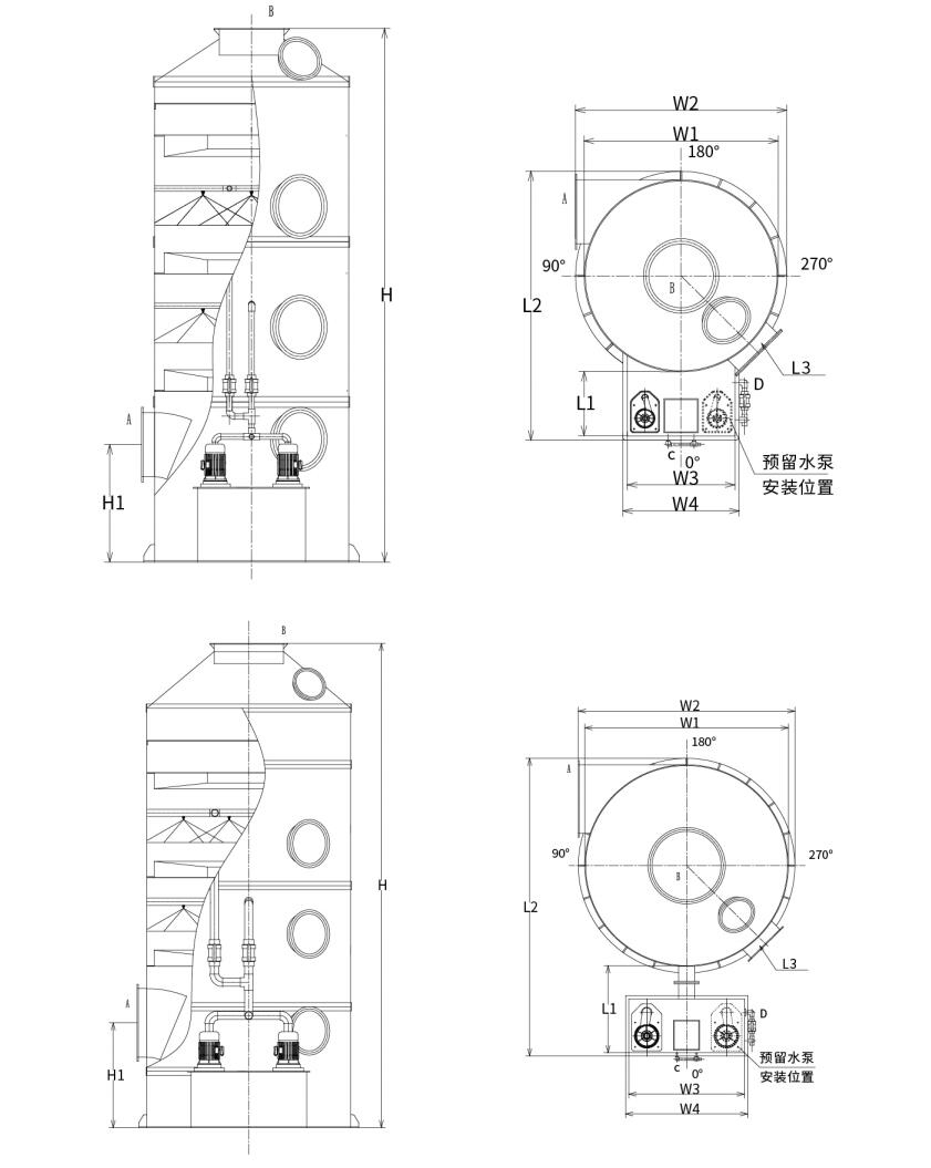
  • サイクロンプレート湿式スクラバー

サイクロンプレート湿式スクラバー

サイクロンスクラバータワーは通常、スパイラルバッフルプレートを備えた円筒形のタワー本体を備えています。運転中、排ガスは塔の底部から接線方向に入り、上向きに流れます。バッフルプレートのブレードに導かれてガスは上向きに螺旋を描き、プレートを流れ下る液体を微細な液滴に霧化します。これにより、大きな気液接触面積が形成されます。液滴はガス流によって運ばれ、回転して遠心力を発生させ、気液相互作用を強化します。最終的に、液滴はタワーの壁に投げ込まれ、壁に沿って下方に流れて次のバッフル プレートに達し、ガス流によって再霧化されてさらに接触します。前述したように、液体は効果的な分離を維持しながらガスと完全に接触し、ミストの同伴を最小限に抑えます。このシステムの気液負荷容量は従来のバッフル板の2倍以上です。

塔の優れた気液接触状態により、アルカリ性液体による排ガスの効率的な吸収が保証されます。また、サイクロンスクラバータワーにより優れた除塵性能を発揮します。ガス中のダスト粒子はスパイラルバッフルプレート上の水ミストによって捕捉され、遠心力によってタワー壁に飛散した粒子や液滴も効果的に除去されます。その結果、タワーから排出されるガスに含まれる塵や液滴は最小限に抑えられます。空のタワーの風速は 2.2 ~ 2.7 m/s の範囲です。

旋回スプレー塔の構造:
図に示すように: 完全なパック型スプレー スクラビング システムには、次のコンポーネントが含まれています。

●タワー本体はPP(ポリプロピレン)シート製。

●フレームはPPスパイラルバッフルで構成されています。

●UPVC(非可塑性ポリ塩化ビニル)製のスプレー接続パイプ。

●PPスパイラルノズル。

●耐食性PP製循環ポンプ。

●デミスター層(メッシュ・サイクロン・バッフルタイプ)。

● 手動および自動水補給装置。

● オーバーフローパイプと排水パイプ。

● 検査ウィンドウ。

サイクロンプレートタワーの選択パラメータ:
輸送の利便性と安全性を確保するために、PP サイクロンスクラバータワーは 2 つの仕様カテゴリに分類されます。

タイプ1:水槽一体型サイクロンスクラバー(塔径:Φ1000mm~Φ2200mm)

タイプ2:分割型水槽型サイクロンスクラバー(塔径:Φ2500mm~Φ3500mm)


風量に応じたサイクロンスクラバータワー型式:

モデル 風量範囲 デバイスのサイズ ウォーターポンプ動力 スワール羽根の枚数 風速範囲 装備材料
XL-600 0-2800m3/h Φ600×2950 0.75kw 2 0~2.76m/秒 PP/304/Q235/FRP
XL-800 3800-5000m3/h Φ800×3300 0.75kw 2 2.11~2.77m/秒 PP/304/Q235/FRP
XL-1000 6000-7500m3/h Φ1000×4380 1.5kw 2 2.13~2.66m/秒 PP/304/Q235/FRP
XL-1200 8500-11000m3/h Φ1200×4430 2.2kw 2 2.09~2.71m/秒 PP/304/Q235/FRP
XL-1500 14000-17000m3/h Φ1500×5000 3.75kw 2 2.2~2.68m/秒 PP/304/Q235/FRP
XL-1800 20000-25000m3/h Φ1800×5650 5.5kw 2 2.19~2.73m/秒 PP/304/Q235/FRP
XL-2000 25001-30000m3/h Φ2000×6200 5.5kw 2 2.21~2.66m/秒 PP/304/Q235/FRP
XL-2200 30001-37000m3/h Φ2200×6700 7.5kw 2 2.19~2.71m/秒 PP/304/Q235/FRP
XL-2500 40000-47000m3/h Φ2500×6850 7.5kw 2 2.27~2.66m/秒 PP/304/Q235/FRP
XL-2800 49000-58000m3/h Φ2800×7900 11kw 2 2.21~2.62m/秒 PP/304/Q235/FRP
XL-3000 58000-68000m3/h Φ3000×8000 11kw 2 2.28~2.67m/秒 PP/304/Q235/FRP
XL-3200 68000-78000m3/h Φ3200×8000 15kw 2 2.35-2.7m/秒 PP/304/Q235/FRP
XL-3500 78000-88000m3/h Φ3500×8000 15kw 2 2.25~2.54m/秒 PP/304/Q235/FRP

注: 顧客の要件に応じて、標準以外のデザインも作成できます。

選択図:

杭州Lvran環境保護グループ株式会社

  • 1000+

    サービス部門のお客様

  • 2000+

    全国的なエンジニアリング事例

Hangzhou Lvran Environmental Protection Group Co., Ltd. 当社は、研究開発、技術サービス、設計、製造、エンジニアリング設置、アフターサービスを統合した、総合的な排ガス処理システムエンジニアリングサービスプロバイダーおよび機器メーカーです。

私たちは 中国 サイクロンプレート湿式スクラバー サプライヤー そして 卸売 サイクロンプレート湿式スクラバー 輸出会社. 当グループは、国家級ハイテク企業、浙江省科学技術企業、地域研究開発センター、およびAAA格付けの信用企業です。30件以上の実用新案特許、多数の発明特許、およびソフトウェア著作権を保有しています。 同グループは、安徽科技大学と共同設立した「環境イノベーション研究開発センター」や、浙江科技大学と共同設立した「プラズマエネルギー・環境新技術研究開発センター」など、国内の大学や研究機関と長期的な技術研究開発協力関係を築いている。 同グループは、高度な技術協力を行うために、独自の研究開発拠点と生産拠点を設立した。 同グループは、VOCガス処理の中核技術を有し、都市公共事業建設における二級総合請負資格、安全生産許可証、浙江省における環境汚染防止に関する二級特別設計資格、無分類労働サービス資格、および特殊エンジニアリング専門請負資格を保有している。 当グループは、ISO9001国際品質マネジメントシステム認証、ISO14001環境マネジメントシステム認証、およびISO45001労働安全衛生マネジメントシステム認証を取得しています。

名誉証明書

以下の受賞歴は、当社の卓越した実績を物語っています。高品質な製品で顧客を獲得し、優れたサービスで市場および社会各方面から高い評価を得ています。

  • プレート型高電界基本ユニットと表面漏電防止リアクトル
  • 二酸化炭素と水を用いてメタノールを合成する反応装置及び二酸化炭素と水を用いてメタノールを合成する方法
  • セルフクリーニング型電気集塵機
  • 風向調整機能付き耐食性高圧ファン
  • 調整可能な自動洗浄式大容量ファン
  • 複合接触ガス化排ガス前処理制御システム
  • スチームクリーニング連続静電界排ガス浄化処理装置
  • 低温プラズマUV光分解排ガス浄化装置システム
  • 商標登録証明書
最新ニュースとイベント
あなたと共有します
その他のニュースを見る
  • 09 Apr,2026

    バッグハウス集塵機はどのようにして労働安全を最適化しますか?
    バグハウス集塵機について理解する 産業用大気汚染防止の状況では、 バッグハウス集塵機 主な防御メカニズムとして機能します。このシステムは、産業排気流から粒子状物質を除去します。エンジニアは、厳しい環境規制を満たすようにこれらのシステムを設計します。工場従業員の安全な作業環境を確保します。 コアコンポーネントと機能...
  • 02 Apr,2026

    施設に適した集塵装置を選択するにはどうすればよいですか?
    産業施設は、生産効率を最適化しながら、清浄な空気基準を維持するというプレッシャーの増大に直面しています。適切な選択 集塵装置 粒子の特性、気流のダイナミクス、規制遵守についての深い理解が必要です。 B2B バイヤーと卸売販売業者にとって、この決定は運用コスト、作業者の安全、および機器の寿命に影響を与えます。このガイドでは、効...
  • 23 Mar,2026

    酸性ガスを最もよく除去する化学スクラバーはどれですか?
    化学スクラバー システムは、制御された化学反応を通じて有害なガスの排出を中和し、環境コンプライアンスと作業者の安全の両方を保護します。この技術試験では、吸収メカニズム、システム設計パラメータ、産業調達チームの運用の最適化が取り上げられます。 気液分離の基礎 湿式と乾式のスクラブ技術 湿式スクラビング システム...
  • 16 Mar,2026

    活性炭吸着装置とは何ですか?
    活性炭吸着装置 は、活性炭の非常に高い表面積と細孔構造を利用して、物理的および化学的吸着メカニズムを通じてガスまたは液体の流れから有機汚染物質、揮発性有機化合物 (VOC)、悪臭ガス、および溶存汚染物質を除去する工業用空気および水浄化システムです。環境規制が世界的に強化され、産業排出基準がますます厳しくなるにつれて、 ...
  • 10 Mar,2026

    バグハウス集塵機を設計するにはどうすればよいですか?
    システムサイジングの基礎 の効率 バグハウス集塵機 は、初期設計パラメータの精度を前提としています。不適切なサイズ設定は、不十分な塵埃の捕捉、過剰な運用コスト、および早期のコンポーネントの故障につながります。エンジニアや調達管理者にとって、空気流と濾過媒体の物理学を理解することは、集塵システムを最適化するための第一歩で...